Products Description
Introducing
Equipped with a powerful 230VAC motor, the EBM AC Axial Compact Fan produces an airflow capacity of 230CFM, ensuring your device's internal temperature remains optimal, even during the most demanding operations. At a mere 28W power consumption, this fan maximizes energy efficiency while still delivering excellent performance, making it ideal for businesses that seek to reduce energy costs.
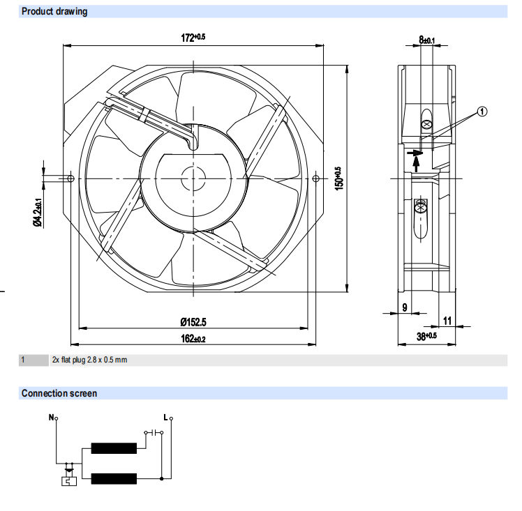
Featuring a built-in ball-bearing, the EBM AC Axial Compact Fan - W2E142-BB01-01 is engineered for durability and long-lasting use. The ball-bearing design ensures the fan rotates smoothly, generating minimal vibration, and producing a low noise level of 57dBA. This feature provides a peaceful working environment, eliminating any possible distractions or disturbances, thus maintaining optimal work productivity.
With a maximum speed of 3300RPM, this powerful fan generates an efficient airflow even in the most challenging applications. The high-velocity airflow ensures the fan effectively circulates the air, allowing the cooling and heating systems of your device to function optimally. The EBM AC Axial Compact Fan is a solution that guarantees to keep your device safe from overheating.
In summary, the EBM AC Axial Compact Fan is an ideal product for compact devices that require an efficient cooling system. With features such as a powerful motor, built-in ball-bearing, and a high-performance design, this fan is guaranteed to deliver excellent performance and reliability. Its low energy consumption ensures energy efficiency, while its 3300RPM speed ensures maximum airflow capacity. Order now and guarantee optimal temperatures for your device, while enjoying a peaceful and flexible working environment. Thank you and enjoy your purchase!
Operating Instructions
- online service
- +86 188 1437 3532
- support@baizhouboms.com
-
We chat
